Mikro PFR96-230A (RX)
Bộ điều khiển tụ bù Mikro 6 cấp
230V (L-N), tiếp điểm NO 5A 250VAC
Dùng cho hệ thống 1 pha
230V (L-N), tiếp điểm NO 5A 250VAC
Dùng cho hệ thống 1 pha
Mô tả
Mikro PFR96-230A (RX)
- Thương hiệu MIKRO - Xuất xứ Malaysia - Tiêu chuẩn IEC61000-6-2.
- Loại thiết bị điều khiển bù công suất phản kháng, 6 cấp.
- Màn hình LED 7 đoạn, hiển thị các thông số: A, V, W, P, Q, VA, Var.
- Sử dụng bộ vi xử lý điều khiển đóng ngắt tự động thông minh.
- Tự động xác lập hệ số C/K hoặc cài đặt bằng tay, điểu khiển 6 cấp.
- Tự động điều chỉnh cực tính CT; Tự động điều chỉnh các bước tụ.
- 5 chế độ cài đặt đóng ngắt: OFF/Auto/Auto Rotate/4-quadrant/Manual.
- Bảo vệ và cảnh báo: Quá/Thấp áp; Quá/Thấp dòng; Quá/Thấp hệ số Cosφ.
- Lập trình cảnh báo. Ngưỡng làm việc: 0.02 ~ 8.0 A.
- Cài đặt giới hạn sóng hài bậc cao (THD Limit).
- Có thể TẮT/ OFF chương trình đóng ngắt, chỉ hiển thị thông số đo lường.
- Sử dụng cho hệ thống 1 pha.
- Hiển thị: Màn hình LED 7 đoạn.
- Nguồn điều khiển: 220VAC (L-L), 220VAC (L-N).
- Điện áp nguồn: 220~240VAC.
- Công suất định mức tối đa: 10VA.
- Tần số: 50/60Hz.
- Định mức dòng vào: 5A.
- Tiếp điểm ngõ ra:
- Số tiếp điểm: 6
- Dung lượng định mức: 5A 250VAC (Cosφ=1).
- Chịu dòng liên tục tối đa: 12A.
- Nhiệt độ hoạt động: -5ºC ~ 55ºC.
- Độ ẩm môi trường: 93% RH (56 ngày, 40ºC), không ngưng tụ.
- Cấp bảo vệ: IP54 (mặt tủ), IP20 (thiết bị).
- Lắp đặt: Gắn trên bảng/tủ điện.
- Kích thước (WxHxD): 96 x 96 x 70 (mm).
- Trọng lượng: 0.6 Kg.
Mô tả: Mikro PFR96-230A (RX)
Kích thước: Mikro PFR96-230A (RX)
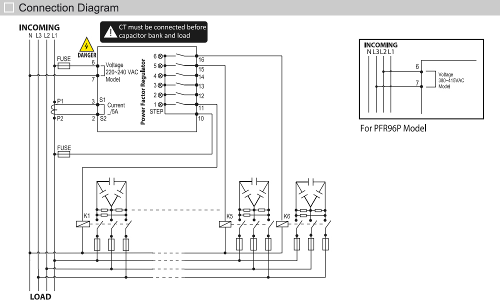
Sơ đồ kết nối: Mikro PFR96-230A (RX)
Thông số kỹ thuật: Mikro PFR96-230A (RX)
Tải tài liệu kỹ thuật: Mikro PFR96-230A (RX)
Tải tài liệu hướng dẫn: Mikro PFR96-230A (RX)
Nhận xét
Thứ tư, 01 Tháng 10 2025
Bộ điều khiển tụ bù 6 cấp Mikro PFR96-230A (RX): Thiết bị này sử dụng đượcChuyên viên thiết bị

