Mikro NX1000A-240AD
Rơ le bảo vệ dòng rò và chạm đất
Hiển thị LED 7 đoạn, 2 tiếp điểm ngõ ra
Hiển thị LED 7 đoạn, 2 tiếp điểm ngõ ra
Mô tả
Relay Mikro NX1000A-240AD
- Thương hiệu MIKRO - Xuất xứ Malaysia.
- Tiêu chuẩn IEC60255 - Mã ANSI 50P, 50N, 51P, 51N
- Loại rơ le bảo vệ kết hợp quá dòng và chạm đất.
- Hiển thị nguồn, thông số và trạng thái hoạt động bằng LED 7 đoạn.
- Cài đặt thông số bằng nút nhấn mềm. Reset bằng tay hoặc tự động.
- 2 tiếp điểm ngõ ra có thể lập trình. Ghi lại giá trị sự cố trước đó.
- Đo dòng dựa trên tần số cơ bản, quá dòng 3 pha cài đặt thấp/cao.
- Lỗi chạm đất, cài đặt thấp - cài đặt cao
- Nguồn cấp: 85 ~ 265 VAC
- tần số: 50/60Hz
- Dòng dịnh mức: 5A
- Tiếp điểm ngõ ra: 2 (R1 & R2)
- Điện áp định mức: 250V AC/DC
- Định mức tiếp điểm: 5A
- Độ bền điện: 100.000 lần vận hành
- Độ bền cơ khí: 5.000.000 lần vận hành
- Hiển thị: Màn hình LED 7 đoạn, chỉ báo Xanh/Đỏ
- Nhiệt độ hoạt động: -10ºC ~ 55ºC
- Độ ẩm môi trường: 5% ~ 95% RH, không ngưng tụ
- Cấp bảo vệ: IP54
- Kích thước (HxWxD): 96 x 96 x 110 (mm).
- Trọng lượng: 0.8 Kg.
- Lắp đặt: Gắn bảng tủ điện
Mô tả: Relay Mikro NX1000A-240AD
Kích thước: Relay Mikro NX1000A-240AD
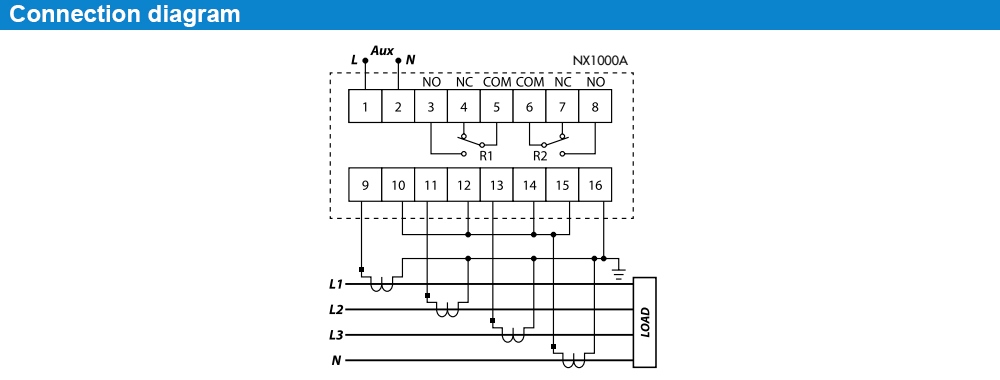
Sơ đồ kết nối: Relay Mikro NX1000A-240AD
Thông số kỹ thuật: Relay Mikro NX1000A-240AD
Tải tài liệu kỹ thuật: Relay Mikro NX1000A-240AD
Tải tài liệu hướng dẫn: Relay Mikro NX1000A-240AD
Nhận xét
Thứ tư, 01 Tháng 10 2025
Rơ le bảo vệ dòng rò và chạm đất Mikro NX1000A-240AD: Thiết bị này sử dụng đượcChuyên viên thiết bị

