Relay Mikro NX300EA-230A
Rơ le bảo vệ dòng rò
hiển thị LED 7 đoạn, 1 tiếp điểm ngõ ra
hiển thị LED 7 đoạn, 1 tiếp điểm ngõ ra
Mô tả
Relay Mikro NX300EA-230A
- Thương hiệu MIKRO - xuất xứ: Malaisia.
- Loại Rơ le bảo vệ dòng rò kỹ thuật, đa tính năng.
- Hiển thị thông số trực quan bằng LED 7 đoạn.
- Đo dòng rò thông qua biến dòng Zero-phase CT (ZCT).
- Dải chỉnh dòng rò rộng (30mA~10A), có thể cài đặt độ nhạy
- Ngõ ra 1 tiếp điểm (NO/NC), ngắt mạch khi dòng rò vượt ngưỡng
- Hỗ trợ reset bằng tay hoặc từ xa qua cổng digital input, ghi lại lịch sử lỗi
- Báo lổi khi ngõ vào ZCT hở mạch (khuyến cáo sử dụng ZCT của MIKRO).
- Tương thích với biến dòng rời (ZCT), phù hợp với nhiều loại tải
- Ghi lại giá trị sự cố dòng rò trước đó (3 giá trị gần nhất).
- Dễ dàng tích hợp vào hệ thống có sẵn hoặc thiết kế tủ mới.
- Mặt trước chuẩn DIN 96×96mm, dễ gắn vào tủ điện, bảng điều khiển.
- Hiển thị: Màn hình LED 7 đoạn
- Nguồn cấp: 184 ~ 276 VAC.
- Dòng rò cài đặt (I Δn) = 30mA ~ 10A.
- Thời gian tác động (Δt) = 0 ~ 3 sec.
- 1 tiếp điểm ngõ ra:
- Điện áp định mức: 240VAC
- Định mức tiếp điểm: 5A
- Độ bền điện: 100.000 lần
- Độ bền điện: 5.000.0000 lần
- Cấp bảo vệ: IP54
- Nhiệt độ hoạt động: -10ºC ~ 55ºC
- Độ ẩm môi trường: 5% ~ 95% RH (Không ngưng tụ)
- Kích thước (HxWxD): 96 x 96 x 90 (mm).
- Trọng lượng: 0.4 Kg
Mô tả: Relay Mikro NX300EA-230A
Kích thước: Relay Mikro NX300EA-230A
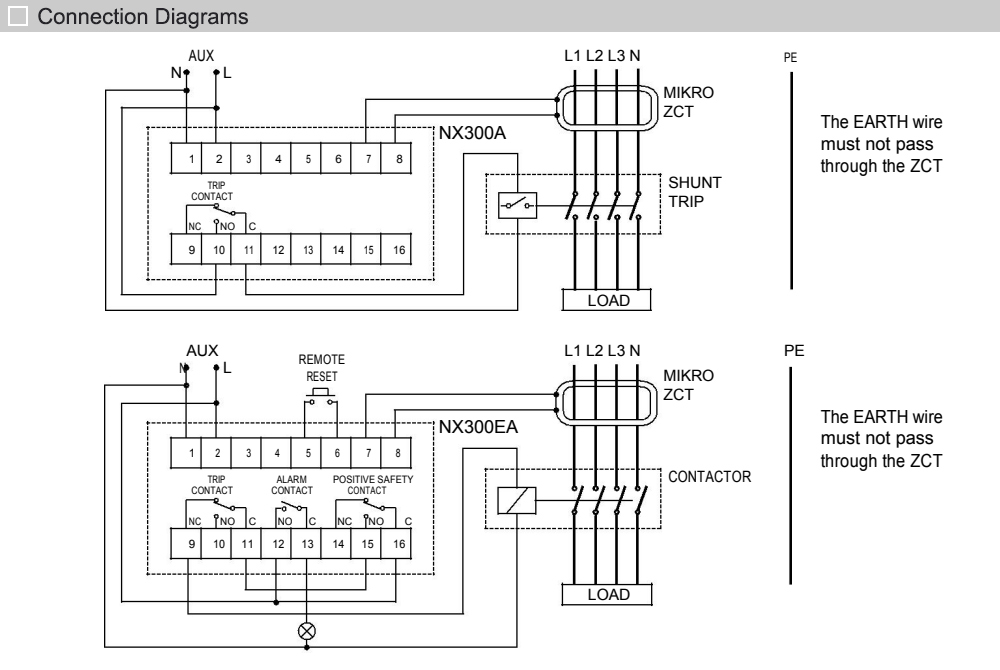
Sơ đồ kết nối: Relay Mikro NX300EA-230A
Thông số kỹ thuật: Relay Mikro NX300EA-230A
Tải tài liệu kỹ thuật: Relay Mikro NX300EA-230A
Tải tài liệu hướng dẫn: Relay Mikro NX300EA-230A
Nhận xét
Thứ tư, 01 Tháng 10 2025
Rơ le bảo vệ dòng rò Mikro NX300EA-230A: Thiết bị này sử dụng đượcChuyên viên thiết bị

